GEBERIT KOMBIFIXBasic vč. chromového tlačítka DELTA 51 + WC CERSANIT CLEANON CARINA + SEDÁTKO 110.100.00.1 51CR CA3
Kód: 110.100.00.1 51CR CA3


Súvisiaci tovar
Jednoduché čistenie pomocou systému CLIK. Stlačením dvoch tlačidiel je možné pri upratovaní ľahko sňať wc sedátko, rozteč wc 18 cm...
Závesné WC ORLO II s moderným RIMLESS systémom z ponuky spoločnosti HOPA. Tento systém predstavuje jedinečnú konštrukciu, bezokruhové wc,...
Závesné WC ORLO s moderným TORNADO systémom z ponuky spoločnosti HOPA. Tento systém predstavuje jedinečnú konštrukciu, bezokruhové WC,...
Nechajte sa ohromiť moderným dizajnom a funkčnosťou závesnej WC misy MODIS. S jej výraznými rohmi a rovnými líniami bude skvelým doplnkom...
Farebná sanitárna keramika pre jedinečnosť Vašej kúpeľne
Podrobný popis
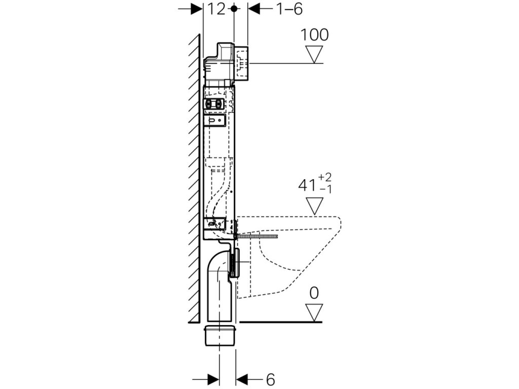
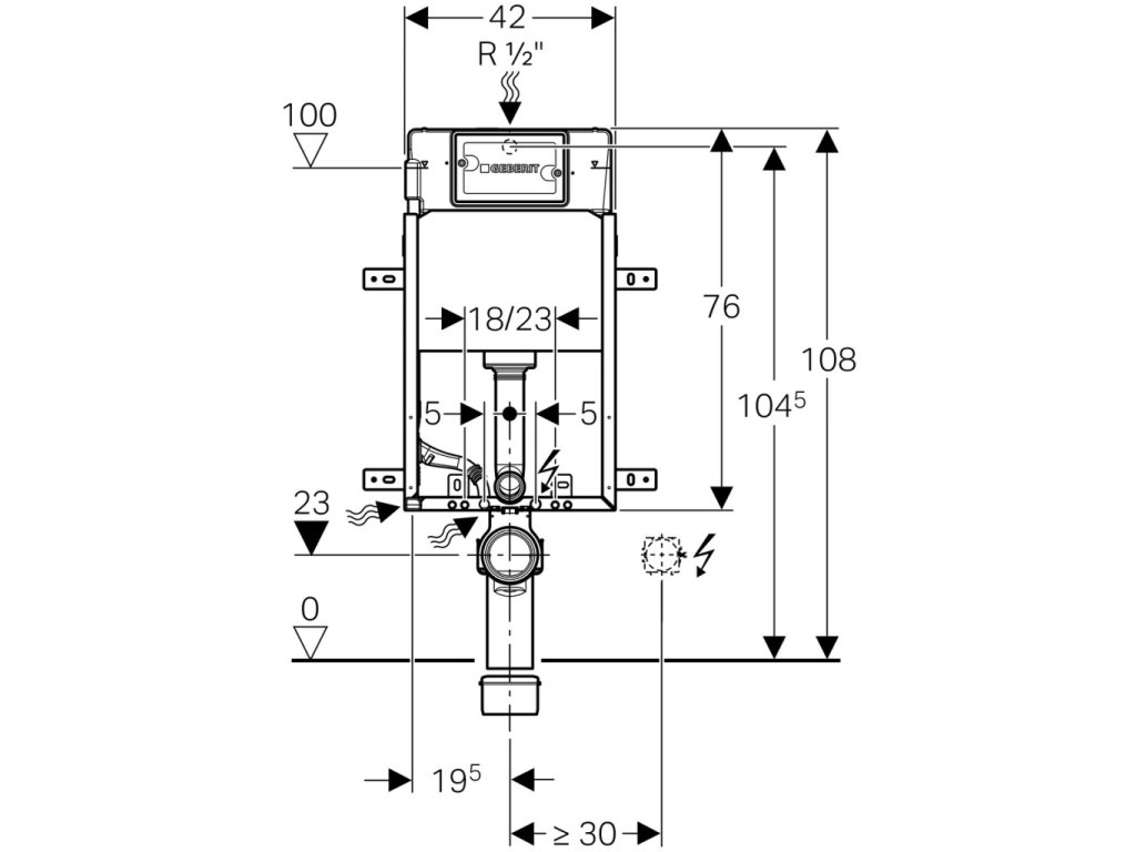
Kombifix KOMBIFIXBasic pro závěsné WC, 108 cm, s nádržkou Delta (110.100.00.1)
Účel použití
- Pro ovládání zepředu
- Pro ovládání pomocí Geberit ovládacích tlačítek Delta
- Pro montáž závěsného WC se vzdáleností upevnění 18 cm nebo 23 cm
- Pro zabudování mokrým procesem do zděné předstěnové instalace
- Pro připojení Geberit AquaClean
- Nevhodný pro zabudování do lehkých příček
- Nevhodný pro zabetonování
Vlastnosti
- Geberit Delta splachovací nádržka pod omítku 12 cm (UP100), ovládání zepředu
- Splachovací nádržka pod omítku izolovaná proti orosování
- Montážní výška 108 cm
- Zásuvné upevnění odpadního kolena
- Instalační hloubka 12 cm
- Pozinkovaný ocelový rám
- Nastavitelné velké splachovací množství
- Malé splachovací množství pevně nastavené
- Přívod vody zezadu / shora uprostřed
- Připojovací hadička k rohovému ventilu ručně přišroubovatelná
Technické informace
Splachovací množství - nastavení z výroby 6 a 3.5 l
Velké splachovací množství - rozsah nastavení 4,5 / 6 / 7,5 l
Ovládací tlačítko DELTA51, pochromované lesklé (115.105.21.1)
- Pro ovládání splachování splachovacích nádržek pod omítku Geberit
- Pro ovládání zepředu
- Pro Geberit splachovací nádržky pod omítku Delta 12 cm (UP100)
- Pro 2 množství splachování
WC závěsná mísa CARINA NEW CleanOn (K31-046)
- Šířka: 35 cm
- Hloubka: 52,5 cm
- Barva: bílá
WC závěsná mísa CARINA NEW CleanOn elegantního vzhledu s horizontálním odpadem, funkcí splachování 2,5/5, 3/5l.
WC mísa nemá límec jako v tradičních mísách, kde se hromadí nečistoty a bakterie.
WC sedátko CARINA SLIM (K98-0135)
Tenké WC sedátko SLIM s pomalým zavíráním SOFT CLOSE, s jednoduchým sejmutím a upevněním sedátka pomocí jednoho tlačítka EASY OFF ONE BUTTON.
- 35,8 x 44,7cm
Dodatočné parametre
| Kategória: | Konštrukcie a nádržky |
|---|---|
| Hmotnosť: | 29.53 kg |
| EAN: | 8596462001225 |
| Dostupnosť: | Skladom |
Video na pozeranie
Buďte prvý, kto napíše príspevok k tejto položke.
